| Sign In | Join Free | My xpshou.com |
|
Brand Name : Monolithic Power Systems
Model Number : MP4026GJ-Z
Certification : ROHS
Place of Origin : TAIWAN
MOQ : 10PCS
Price : Negotiable
Payment Terms : T/T, Western Union
Supply Ability : 12000PCS/WEEK
Delivery Time : 2-3DAYS
Packaging Details : 3000PCS/REEL
Input Voltage : 265 V
Supply Current - Max : 3mA
Maximum Operating Temperature : + 125 C
Product : LED Drivers
Type : Off Line LED Driver
Pd - Power Dissipation : 1.25W
Factory Pack Quantity : 3000
MP4026GJ-Z IGBT Driver LED Lighting Drivers Monolithic Power Systems
1.DESCRIPTION
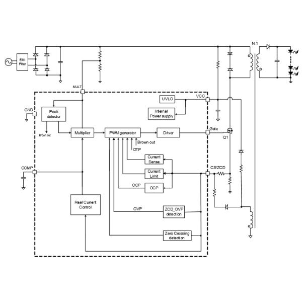
The MP4026 is a primary-side-control, offline LED controller that achieves high-power factor and accurate LED current for isolated, single-power-stage lighting applications in a tiny TSOT23-6 package. It is the next generation of the successful MP4021A. The proprietary real-current-control method accurately controls LED current from primary-side information with good line and load regulation. The primary-side-control eliminates the secondary-side feedback components and the opto-coupler to significantly simplify LED-lighting-system design. The MP4026 integrates power-factor correction and works in valley switching mode to reduce MOSFET switching losses. The MP4026’s multiple protection features greatly enhance system reliability and safety. These features include over-voltage protection, short-circuit protection, primary-side over-current protection, brown out protection, cycle-by-cycle current limiting, VCC under-voltage lockout, and auto-restart over-temperature protection
2FEATURES
• Real-Current Control without Secondary-Feedback Circuit
• Good Line/Load Regulation
• High Power Factor (≥0.9) over Universal Input Voltage
• Valley Switching Mode for Improved Efficiency
• Brown-Out Protection
• Over-Voltage Protection
• Short-Circuit Protection
• Over-Temperature Protection
• Primary-Side Over-Current Protection
• Cycle-by-Cycle Current Limit
• Input UVLO
• Available in TSOT23-6
3.APPLICATIONS
• Industrial and Commercial Lighting
• Residential Lighting
4.TYPICAL APPLICATION CIRCUIT

5.PACKAGE REFERENCE

6.PIN FUNCTIONS

7.FUNCTION DIAGRAM

8.Why choose us?
100% new and originao with Advantage price
High efficiency
Fast Delivery
Professional team service
10 Years Experience Electronic components
Electronic components Agent
Advantage logistic discount
Excellent After-sales Service
|
|
MP4026GJ-Z 1.25W 3mA LED Lighting Drivers Monolithic Power Systems Images |